Radiomodemy SATELLINE NMS przeznaczone są do budowania sieci bezprzewodowych cechujących się dużym obszarem pokrycia terenu. System NMS (Network Management System) umożliwia zdalne zarządzanie siecią bezprzewodową oraz kontrolę parametrów pracy poszczególnych radiomodemów pracujących w systemie.
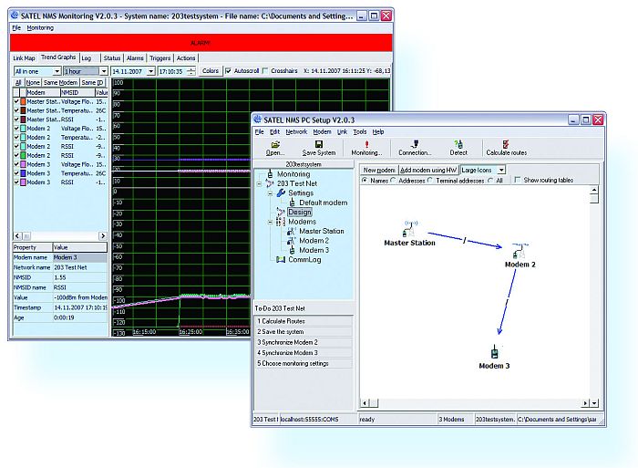
System Zarządzania Siecią (NMS) pozwala na pełniejszą kontrolę sieci bezprzewodowej oraz upraszcza jej konfigurację i rozbudowę. Projektowanie systemu bezprzewodowego bazującego na technologii NMS, odbywa się z poziomu bezpłatnego oprogramowania SATEL NMS PC, które pozwala na graficzne dodawanie i usuwanie radiomodemów oraz na rysowanie tras przesyłanych komunikatów.
System NMS pozwala na zdalny odczyt kluczowych parametrów diagnostycznych radiomodemów: napięcia zasilania, temperatury pracy oraz poziomu mocy sygnału odbieranego pomiędzy poszczególnymi obiektami. Zebrane dane są gromadzone i mogą być prezentowane w postaci wykresów. Użytkownik może również określić wartości krytyczne dla monitorowanych parametrów, po przekroczeniu których będą generowane alarmy.

System NMS wykorzystuje dwa porty szeregowe w radiomodemie nadrzędnym. Pierwszy z portów służy do komunikacji z aplikacją użytkownika - pełniącą w systemie funkcję urządzenia "Master", najczęściej jest to oprogramowanie wizualizacyjne lub sterownik PLC. Drugi z portów jest wykorzystywany do komunikacji z oprogramowaniem SATEL NMS PC, nadzorującym pracę samych radiomodemów. Taka architektura pozwala na równoczesne przesyłanie danych użytkownika i danych diagnostycznych dotyczących pracy sieci bezprzewodowej drogą radiową.
System NMS pozwala również na zdalne programowanie wszystkich radiomodemów pracujących w sieci. Dzięki temu zmiana parametrów pracy (takich jak: adresowanie, moc nadajnika, czułość odbiornika itp.) może być zrealizowana bez konieczności wyjazdu serwisowego do poszczególnych, często znacznie oddalonych obiektów, co znacznie upraszcza i zmniejsza koszty obsługi i rozbudowy tak zrealizowanej bezprzewodowej sieci szeregowej.
Zakres częstotliwości 400 - 470 MHz, czyli tzw. pasmo UHF pozwala tworzyć niezależne systemy komunikacji wykorzystujące „własny" kanał częstotliwości, co jest szczególnie istotne w bardziej odpowiedzialnych systemach. Użytkownik takiej sieci bezprzewodowej całkowicie uniezależnia się od zewnętrznych operatorów oraz od opłat związanych z przesyłem danych. Dzięki temu transmisja informacji może odbywać się "online".
Zakres 140 - 170 MHz, czyli tzw. pasmo VHF pozwala tworzyć niezależne systemy komunikacji wykorzystujące „własny" kanał częstotliwości podobnie jak w paśmie 400-470 MHz. Ponadto dla systemów automatycznego odczytu liczników został wydzielony specjalny zakres częstotliwości 169,400 – 169,425 MHz, który nie wymaga dodatkowych pozwoleń. Bez pozwolenia, mogą pracować systemy z odstępem 12,5 kHz i mocą do 500 mW.
Radiomodemy SATELLINE-3AS(d) EPIC NMS i SATELLINE-3AS(d) NMS są ze sobą w pełni kompatybilne, dzięki czemu możliwe jest optymalizowanie kosztów projektowanego systemu poprzez dobór tańszego modelu SATELLINE-3AS(d) NMS (pracującego z mocą do 1W) w bliżej położonych obiektach, a modelu o podwyższonej mocy SATELLINE-3AS(d) EPIC NMS (pracującego z mocą do 10 W) w odległych punktach sieci.
Zasięg transmisji dla radiomodemu SATELLINE-3AS(d) EPIC NMS może dochodzić do kilkudziesięciu kilometrów, a dla radiomodemu SATELLINE-3AS(d) NMS do kilkunastu kilometrów. W obu przypadkach zasięg może zostać zwiększony poprzez zastosowanie anten o większym zysku lub retransmiterów sygnału.
Radiomodemy serii SATELLINE NMS dostępne są w wersji podstawowej lub z wbudowanym wyświetlaczem ciekłokrystalicznym oraz czteroprzyciskową miniklawiaturą, umożliwiającą zmianę kluczowych parametrów urządzenia, bez konieczności podłączania komputera. Dodatkowo na ekranie wyświetlana jest aktualna wartość poziomu sygnału odbieranego (RSSI), dostarczająca informacji o jakości połączenia radiomodemowego. Funkcjonalność ta jest szczególnie przydatna podczas testów komunikacji przeprowadzanych w celu optymalnego doboru anten, miejsca montażu stacji, wysokości masztu, itd.
Model SATELLINE-3AS(d) EPIC NMS posiada dwa gniazda antenowe, z których jedno wykorzystywane jest do odbioru, a drugie zarówno do nadawania jak i do odbioru. Radiomodem odbierając sygnał przez dwa odbiorniki jednocześnie wybiera sygnał o lepszej jakości. Takie rozwiązanie zwiększa niezawodność połączenia w aplikacjach, w których sygnał ulega wielokrotnym odbiciom.
Mechanizm korekcji błędów FEC (Forward Error Correction) wzbogaca dane użytkownika o dodatkowe dane korekcyjne, które wykorzystywane są przez radiomodem odbierający do naprawiania błędnie przesłanych pakietów (pod warunkiem, że stosunek liczby bitów poprawnie odebranych do liczby bitów błędnych ma dostatecznie dużą wartość). Korekcja błędów zwiększa niezawodność komunikacji szczególnie przy transmisji na duże odległości oraz w przypadku występowania zakłóceń w kanale radiowym.
![]() |
![]() |
![]() |
|
|---|---|---|---|
| SATELLINE-3AS(d) NMS |
SATELLINE-3AS(d) EPIC NMS | SATELLINE-3AS(d) VHF NMS | |
| Nadajnik-odbiornik | |||
| Zakres częstotliwości | 400...470 MHz | 400...470 MHz | 135...174 MHz |
| Programowa zmiana częstotliwości | +-2 MHz | +-2 MHz | 135...155, 155...174 MHz |
| Odstęp sąsiedniokanałowy | 12,5 lub 25 kHz | 12,5 lub 25 kHz | 12,5 lub 25 kHz |
| Moc wyjściowa | 10mW...1W | 1W...10W | 100mW...5W (radiator) |
| Czułość (BER<10E-3) | -115 dBm | -115 dBm | -115 dBm |
| Interfejs połączeniowy |
|||
| Port | RS232/422/485 | RS232/422/485 | RS232/422/485 |
| Złącze portu | D15 - 15 pin | D15 - 15 pin | D15 - 15 pin |
| Prędkość transmisji na porcie | 1200...38400 bit/s | 1200...38400 bit/s | 1200...38400 bit/s |
| Prędkość transmisji w powietrzu - 12,5 kHz | 9600 bit/s | 9600 bit/s | 9600 bit/s |
| Prędkość transmisji w powietrzu - 25 kHz | 19200 bit/s | 19200 bit/s | 19200 bit/s |
| Funkcje dodatkowestrong> | |||
| Retransmiter | Tak | Tak | Tak |
| Trasowanie połączeń NMS | Tak | Tak | Tak |
| Zdalna diagnostyka i programowanie | Tak | Tak | Tak |
| Korekcja błędów | Tak | Tak | Tak |
| Wyświetlacz LCD | Opcja | Opcja | Opcja |
| Dwa odbiorniki | Nie | Tak | Nie |
| Element chłodzący | Nie | Opcja | Opcja |
| Dual Band | Opcja | Opcja | Opcja |
| Protokoły: SATEL/PacificCrest/Trimtalk/Trimble | Tak/Nie/Nie/Nie | Tak/Nie/Nie/Nie | Tak/Nie/Nie/Nie |
| Parametry ogólne | |||
| Złącze antenowe | TNC, 50 Ohm, żeńskie | TNC, 50 Ohm, żeńskie | TNC, 50 Ohm, żeńskie |
| Napięcie zasilania | +9...+30 VDC | +11,8...+30 VDC | +9...+30 VDC |
| Pobór mocy [VA] | 1,4 RX/6,0 TX | 3 RX/33 TX | 1,7 RX/6,6 (1W), 22 (5W) TX |
| Wymiary [mm] | 137x67x29 | 154x123x29 | 137x67x29 |
| Waga [g] | 260 | 580 | 260 |
| Temperatura pracy [C] | -25...55 | -25...55 | -25...55 |
| Obudowa | IP44 | IP44 | IP44 |
| Zasięg komunikacji (typowy) [km] | 15 | 30 | 20 |
| Kompatybilność | SATELLINE-3AS(d) EPIC NMS | SATELLINE-3AS(d) NMS | SATELLINE-3AS(d) VHF NMS |
Zostaw wiadomość lub zadaj pytanie – odpowiemy niezwłocznie.
Napisz do nas - odpowiemy w ciągu 24h
Potrzebujesz pomocy? Skontaktuj się z nami. Odpowiemy na wszystkie Twoje pytania.
E.ON, Finlandia - system dystrybucji energii elektrycznej
Lotnisko Vaisala, Bangkok - monitoring warunków atmosferycznych
Leica, Finlandia - automatyzacja pomiarów geodezyjnych
Firma ASTOR od 30 lat wspiera podnoszenie efektywności procesów w przemyśle, produkcji oraz infrastrukturze dostarczając komponenty automatyki przemysłowej, robotyki, systemy IT oraz wiedzę biznesową i techniczną. Kierunek wspierania rozwoju i transformacji naszych Klientów wyznacza Przemysł 4.0. W naszym portfolio znajdują się systemy sterowania Emerson Industrial Automation&Control (dawniej GE Intelligent Platforms, GE Fanuc), Horner APG oraz Astraada One, oprogramowanie przemysłowe AVEVA (dawniej Wonderware), roboty przemysłowe Kawasaki i Epson, produkty do bezprzewodowej transmisji danych SATEL Oy i Astraada, a także falowniki, panele HMI i urządzenia sieciowe Astraada. Oferujemy usługi doradcze w ramach ASTOR Consulting i szkolenia w ramach Akademii ASTOR.
ASTOR Centrala
ul. Smoleńsk 29, 31-112 Kraków
12 428 63 00
PL
EN