PacDrive 3 to najnowsza seria systemów serwonapędowych, będąca następcą serii ELAU - PacDrive M. Serwonapędy z rodziny PacDrive są liderem zarówno na niemieckim, jak i światowym rynku maszyn i systemów pakujących od ponad 20 lat. Użytkownicy cenią te rozwiązania, ponieważ wyposażone w nie maszyny gwarantują osiągi na najwyższym poziomie

| Rozwiązania w serii PACDRIVE 3 | Korzyści |
|---|---|
|
|

Kontrolery ruchu LMC (Logic Motion Controller) – to jedenaście sterowników z rodziny PacDrive 3 przeznaczonych do zarządzania aplikacjami wymagających najwyższych osiągów i kontroli nad zsynchronizowanym ruchem nawet do 130 osi jednocześnie. Tak rozbudowane możliwości kontroli nad systemami serwonapędowymi zapewnia wykorzystanie procesorów Intel o taktowaniu procesora do 2.2 GHz.
W celu zapewnienia odpowiedniej prędkości komunikacji sterowniki serii LMC wyposażono w magistralę komunikacyjną SERCOS, dzięki czemu możemy zapewnić czas skanu sieci na poziomie 1-4ms. Protokół SERCOS III oparty na fizycznej warstwie Ethernetu pozwala skomunikować wszystkie elementy systemu takie jak sterowniki, serwonapędu, układy IO oraz układy bezpieczeństwa zapewniając pełną kontrolę nad maszyną.
Oprócz magistrali SERCOS, kontrolery ruchu PacDrive LMC mogą równolegle obsługiwać
|
|
|
Dostępne są również opcjonalne karty rozszerzeń dla wszystkich kontrolerów w celu użycia dodatkowych interfejsów komunikacyjnych, takich jak EtherNet/IP.
W celu kontroli ruchu nad poszczególnymi osiami systemu rzeczywistego program sterujący wgrany do kontrolera może posiadać do 4096 elektronicznych krzywek ruchu CAM, które można przełączać pomiędzy sobą w trakcie trwania ruchu.
Do budowy programu sterującego dla kontrolerów LMC służy oprogramowanie SoMachine Motion, pozwala ono tworzyć jeden program sterujący dla logiki pracy systemu jak i profili ruchu osi. W standardzie zawiera on szereg bibliotek z gotowymi blokami funkcyjnymi dla najczęściej wykorzystywanych zastosowań serwonapędów. Dla szybkiej diagnostyki sterowników dostępne jest dedykowane oprogramowanie diagnostyczne.
![]() |
![]() |
![]() |
|
|---|---|---|---|
| Seria | |||
| Opis | |||
| Zalecane zastosowanie | |||
| Kompatybilne kontrolery | |||
| Kompatybilne silniki | |||
| Dostępność serwonapędów podwójnych | |||
| Moc znamionowa | |||
| Prąd pracy ciągłej | |||
| Prąd szczytowy | |||
| Odzysk energii hamowania | |||
| Protokół komunikacji z innymi urządzeniami |
|||
| Dostępność wersji z funkcjami bezpieczeństwa |
![]() |
![]() |
![]() |
|
|---|---|---|---|
| Seria | |||
| Opis | |||
| Kompatybilne serwonapędy | Lexium 62 |
Lexium 62 |
Lexium 62 |
| Moc nominalna | |||
| Moment znamionowy | |||
| Moment szczytowy | |||
| Prędkość obrotowa | |||
| Rozmiary flansz | |||
| Stopień ochrony IP (wał / obudowa) | IP65 / IP65 lub IP65 / IP67 |
IP67 / IP67 |
|
| Opcjonalny hamulec | |||
| Końcówka wału | |||
| Złącza kabli | |||
| Rodzaj enkodera | |||
| Elektroniczna tabliczka znamionowa |
Do programowania i zarządzania urządzeniami PacDrive 3 służy środowisko programowe SoMachine Motion (zgodne z normą IEC 61131-3). W skład środowiska SoMachine Motion wchodzą m.in: Central, LogicBuilder, Diagnostics, Controller Assistant, Device Assistant, MotionBuilder, License Manager, Software Update. Programy te służą min. do programowania sterownika, przeprowadzania diagnostyki, tworzenia kopii zapasowych, aktualizacji firmware w urządzeniach PacDrive 3.

Jest to główny interfejs wszystkich programów SoMachine Motion. Jest to głównie oprogramowanie przeznaczone do administrowania projektami, zarządzania wersjami projektów, tworzenia nowych i otwierania istniejących projektów. Z jego poziomu możliwe jest przejście do poszczególnych programów tj. Diagnostics, Logic Builder, Controller Assistant.

Jest to środowisko przeznaczone do programowania i konfiguracji urządzeń systemu PacDrive 3. Jest oparte na CodeSys V3.x. Wyświetla wszystkie elementy projektu, tj. konfiguracja sprzętowa, zmienne, trendy, logika, biblioteki i wiele więcej.

To darmowy program, który umożliwia tworzenie złożonych procesów ruchu. Pozwala na projektowanie krzywek ruchu do każdej z osi, a także ułatwia analizę synchronicznego ruchu kilku osi według tych krzywek. Drugą wbudowaną opcją w oprogramowanie Motion Builder jest możliwość doboru odpowiedniego silnika i serwowzmacniacza do danego procesu produkcyjnego na podstawie wprowadzanych danych dotyczących kinematyki ruchu i mechaniki.

Darmowy program służący do pobierania i analizy danych diagnostycznych z kontrolerów PacDrive 3.

Darmowy program służący do zarządzania wersjami firmware urządzeń z systemu PacDrive 3. Dodatkowo umożliwia pobieranie, modyfikowanie i wgrywanie obrazów systemu kontrolera, czyli zbioru plików, które są umieszczane na dysku flash sterownika. Program umożliwia wgranie pełnego obrazu systemu do kontrolera w przypadku wystąpienia jego awarii.

Darmowy program Device Assistant pozwala na wyszukanie dostępnych w sieci sterowników systemu PacDrive 3. Pozwala to na odnalezienie sterownika, nawet w przypadku, gdy nie znany jest jego adresu IP (karta sieciowa komputera nie wymaga żadnej konfiguracji). Program umożliwia także zmianę parametrów komunikacyjnych sterownika.
| LMC100 | LMC101 | LMC106 | LMC201 | LMC212 | LMC216 | |
|---|---|---|---|---|---|---|
| Procesor | Intel Atom 1.6 GHz, 512Kb L2 Cache | |||||
| RAM | 512 MB DDR2 | |||||
| Liczba osi | 0 | 4 | 6 | 8 | 12 | 16 |
| Zasilanie | 24VDC (30W) | |||||
| RTC | Tak | |||||
| System operacyjny | VxWorks (SEAAutomation Kernel) | |||||
| Wejścia | 8 wejść cyfrowych + 4 wejścia cyfrowe touchprobe | |||||
| Wyjścia | 8 wyjścia cyfrowe | |||||
| Złącza komunikacyjne | Ethernet, CAN, RS232, RS485, USB, Master encoder, SERCOS | |||||
| Moduł opcjonalny | RT-Ethernet lub Profibus DP | |||||

| Oznaczenie | Opis |
|---|---|
| A | Ekran LCD z przyciskami |
| B | Diody LED |
| C | Karta pamięci SD |
| D | Sloty na moduły opcjonalne |
| CN1 | Port USB client (nieaktywny) |
| CN2 | Port USB Host |
| CN3 | Port Ethernet |
| CN4 | Port COM: RS232/485 |
| CN5, CN6 | Porty SERCOS |
| CN7 | Złącze 12 wejść cyfrowych i 4 wejść cyfrowych typu touchprobe |
| CN8 | Złącze 8 wyjść cyfrowych |
| CN9 | Złącze zasilania 24VDC |
| CN10 | Nieaktywny |
| CN11 | Port CAN/CANopen |
| CN12 | Port Master-Encoder |

| LMC | XXX | C | XX | 1 | 0000 |
|---|---|---|---|---|---|
| 1 | 2 | 3 | 4 | 5 | 6 |
| Identyfikacja | Oznaczenie | Opis | Szczegóły |
|---|---|---|---|
| Rodzina | 1 | Określa rodzaj urządzenia | LMC: PacDrive Logic Motion Controller (LMC) |
| Rodzaj | 2 | Określa rodzaj kontrolera i maksymalną liczbę osi | 100: max. 0 osi 101: max. 4 osie 106: max. 6 osi 201: max. 8 osi 212: max. 12 osi 216: max. 16 osi |
| Typ | 3 | Typ urządzenia | C: Kontroler |
| Typ interfejsu | 4 | Określa zamontowane opcjonalne moduły komunikacyjne | AA: brak |
| Hardware | 5 | Wersja hardware | 1:pierwsza wersja |
| Wewnętrzne | 6 | Numer wewnętrzny | 0000:standardowy |
| LMC300 | LMC400 | LMC600 | LMC402 | LMC802 | |
|---|---|---|---|---|---|
| Procesor | Intel Celeron M 1.5 GHz | Intel Pentium M 2Ghz | Intel Celeron 2000E 2.2 GHz | ||
| RAM | 512 MB DDR2 | 1 GB DDR3L | |||
| Liczba osi | 8 | 16 | 99 | 16 | 130 |
| Zasilanie | 24VDC (36W) | ||||
| RTC | Tak | ||||
| System operacyjny | VxWorks (SEAAutomation Kernel) | ||||
| Wejścia | 20 wejść cyfrowych + 16 wejść cyfrowych touchprobe + 4 szybkie wejścia cyfrowe + 2 wejścia analogowe | ||||
| Wyjścia | 16 wyjść cyfrowych + 2 wyjścia analogowe | ||||
| Złącza komunikacyjne | Ethernet, Profibus DP, RT-Ethernet, CAN, RS232, RS422/485, USB, Master encoder, SERCOS, PacNet | ||||
| Moduł opcjonalny (Maks. 2) | Profibus DP, CANopen, RT-Ethernet, RT-Ethernet + CANopen, RT-Ethernet + Profibus DP, 2x RT-Ethernet | ||||

| Oznaczenie | Opis |
|---|---|
| A | Otwierana klapka z ekranem LCD i przyciskamii |
| B | Karta pamięci i bateria |
| CN1 | Złącze zasilania 24VDC i Watchdog |
| CN2 | Złącze 16 wyjść cyfrowych |
| CN3 | Złącze 20 wejść cyfrowych |
| CN4 | Złącze 16 wejść cyfrowych typu touchprobe i 4 szybkich wejść cyfrowych |
| CN5 | Złącze 2 wejść i 2 wyjść analogowych |
| CN7 | Port USB |
| CN8 | Port Ethernet |
| CN9 | Port PacNet |
| CN10, CN11 | Porty RT-Ethernet |
| CN12, CN13 | Porty SERCOS |
| CN14 | Port Master-Encoder |
| CN15 | Port COM1: RS232 |
| CN16 | Port COM2: RS422/485 |
| CN17 | Port CANopen |
| CN18 | Port Proofibus DP |
| LMC | XXX | C | XX | 1 | 0000 |
|---|---|---|---|---|---|
| 1 | 2 | 3 | 4 | 5 | 6 |
| Identyfikacja | Oznaczenie | Opis | Szczegóły |
|---|---|---|---|
| Rodzina | 1 | Określa rodzaj urządzenia | LMC: PacDrive Logic Motion Controller (LMC) |
| Rodzaj | 2 | Określa rodzaj kontrolera i maksymalną liczbę osi | 300: max. 8 osi 400: max. 16 osi 600: max. 99 osi 402: max. 16 osi, zwiększona wydajność procesora 802: max. 130 osi, zwiększona wydajność procesora |
| Typ | 3 | Typ urządzenia | C: Kontroler |
| Typ interfejsu | 4 | Określa zamontowane opcjonalne moduły komunikacyjne | AA: brak BB: CANopen BC: ProfibusDP BD: RT-Ethernet BG: RT-Ethernet x2 BI: CANopen + RT-Ethernet BL: ProfibusDP + RT-Ethernet CA: UPS CB: UPS + CANopen CC: UPS + ProfibusDP CD: UPS + RT-Ethernet CG: UPS + Rt-Ethernet x2 CI: UPS + CANopen + RT-Ethernet CL: UPS + ProfibusDP + RT-Ethernet |
| Hardware | 5 | Wersja hardware | 1:pierwsza wersja |
| Wewnętrzne | 6 | Numer wewnętrzny | 0000:standardowy |
| LXM52DU60 C41000 |
LXM52DD12 C41000 |
LXM52DD18 C41000 |
LXM52DD30 C41000 |
LXM52DD72 C41000 |
|
|---|---|---|---|---|---|
| Nominalny prąd wyjściowy [A] | 1.5 | 3 | 6 | 10 | 24 |
| Maksymalny (chwilowy) prąd wyjściowy [A] | 6 | 12 | 18 | 30 | 72 |
| Moc znamionowa [kW] | 0.4 | 0.9 | 1.8 | 3 | 7 |
| Napięcie zasilania [V] | 3 – fazowe 208/200 (-15%) … 240 (+10%) 3 – fazowe 400/380 (-15%) … 480 (+10%) |
||||
| Częstotliwość prądu zasilającego [Hz] | 48 ... 62 | ||||
| Napięcie sterujące [V] | 24 (-20% … +25%) | ||||
| Protokół komunikacyjny | Sercos | ||||
| Inverter Enable | 1 wejście dla funkcji STO (Safe Torque Off) (dwa kanały) | ||||
| Wejście enkodera | Hiperface lub SinCos | ||||
| Wejścia cyfrowe | 2 | ||||
| Wejścia cyfrowe typu touchprobe | 2 | ||||
| Wejścia/Wyjścia cyfrowe | 2 | ||||
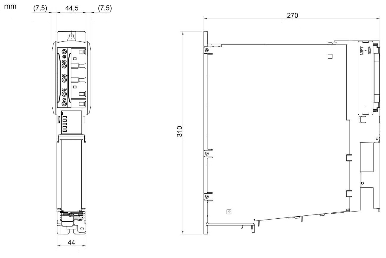
| Wymiary obudowy [mm] | 220 x 48 x 270 mm | 220 x 68 x 270 mm | 220 x 108 x 274 mm | ||
| Stopień ochrony | IP20 | ||||
| Certyfikacja | CE, Ulus, CSA, TÜV | ||||

| Oznaczenie | Opis |
|---|---|
| 1 | Przycisk reset |
| H1 | Dioda statusu A |
| H2 | Dioda 1 portu Sercos |
| H3 | Dioda protokołu Sercos |
| H4 | Dioda 2 portu Sercos |
| H5 | Dioda zasilania DC |
| CN1 | Napięcie wejściowe 3-fazowe |
| CN2 | Napięcie wejściowe 24 VDC i wejścia Inverter Enable |
| CN3 | Złącze enkodera |
| CN4, CN5 | Porty komunikacyjne Sercos |
| CN6 | Cyfrowe wejścia/wyjścia |
| CN7 | Wyjście przekaźnikowe sygnalizujące aktywność modułu |
| CN8 | Podłączenie zewnętrznego rezystora hamującego |
| CN9 | Złącza szyny napięcia DC |
| CN10 | Zasilanie silnika |
| CN11 | Złącze hamulca i czujnika temperatury |
| rh | Złącze do ekranowania kabli |
| LXM52Dxxx | U60 | D12,D18 | D30 | D72 |
|---|---|---|---|---|
| Typ | 1 | 1 | 2 | 2 |
| B [mm] | 48±1 | 48±1 | 68±1 | 108±1 |
| T [mm] | 225 | 225 | 225 | 225 |
| H [mm] | 270 | 270 | 270 | 274 |
| e [mm] | 24 | 24 | 13 | 13 |
| E [mm] | - | - | 42 | 82 |
| F [mm] | 258 | 258 | 258 | 258 |
| f [mm] | 7.5 | 7.5 | 7.5 | 7.5 |
| a [mm] | 20 | 20 | 20 | 24 |
| h [mm] | 230 | 230 | 230 | 230 |
| c [mm] | 20 | 20 | 20 | 20 |
| X [mm] | 60 | 60 | 60 | 60 |
| Y [mm] | 100 | 100 | 100 | 100 |
| Z [mm] | 100 | 100 | 100 | 100 |
X, Y, Z – zalecana wolna przestrzeń wokół serwonapędu
| LXM | 52 | D | XXX | C | 4 | 1 | 0 | 00 |
|---|---|---|---|---|---|---|---|---|
| 1 | 2 | 3 | 4 | 5 | 6 | 7 | 8 | 9 |
| Identyfikacja | Oznaczenie | Opis | Szczegóły |
|---|---|---|---|
| Rodzina | 1 | Określa rodzaj urządzenia | LXM: Lexium |
| Rodzaj | 2 | Określa podtyp serwonapędu | 52: Lexium 52 |
| Typ | 3 | Typ urządzenia | D: Serwonapęd (Drive) |
| Prąd wyjściowy | 4 | Maksymalny (chwilowy) prąd wyjściowy urządzenia | U60: 6A D12: 12A D18: 18A D30: 30A D72: 72A |
| Wariant | 5 | Wariant konfiguracji sprzętowej | C: Pojedynczy serwonapęd HW-STO SIL 3 PLe |
| Opcje | 6 | Opcje zasilania | 4: 3 fazy 208/400/480 VAC |
| Hardware | 7 | Wersja hardware | 1:pierwsza wersja |
| Wewnętrzne | 8 | Numer wewnętrzny | 0:Produkcja wewnętrzna |
| Specjalne | 9 | Numer klienta (produkcja specjalna) | 00: standardowy |
| LXM62PD84A11000 | LXM62PD20A11000 | |
|---|---|---|
| Napięcie zasilania [VAC] | 1 - fazowe 230/208 (-10%) … 270 (+10%) 3 - fazowe 230/208 (-10%) … 270 (+10%) 3 - fazowe 400/380 (-10%) … 480 (+10%) |
|
| Znamionowy prąd zasilania [A] | Maks. 40 | Maks. 10 |
| Częstotliwość prądu zasilającego [Hz] | 48 ... 62 | |
| Napięcie sterowania [VDC] | 24 (-20% … +25%) | |
| Prąd obwodu sterowania [A] | Max. 50 ( Przeciążenie nie dozwolone) | |
| Napięcie na wspólnej szynie zasilania [VDC] | 270 ... 700 | |
| Znamionowy prąd wyjściowy [A] | 21 (Zasilanie 1 – fazowe) 42 (Zasilanie 3 – fazowe) |
10 (Zasilanie 1 – fazowe) 10 (Zasilanie 3 – fazowe) |
| Maksymalny (chwilowy) prąd wyjściowy [A] | 42 (Zasilanie 1 – fazowe) 84 (Zasilanie 3 – fazowe) |
20 (Zasilanie 1 – fazowe) 20 (Zasilanie 3 – fazowe) |
| Znamionowa moc wyjściowa [kW] | 22.1 (Zasilanie 3 – fazowe 400 VAC) | 5.2 (Zasilanie 3 – fazowe 400 VAC) |
| Maksymalna (chwilowa) moc wyjściowa [kW] | 44.2 (Zasilanie 3 – fazowe 400 VAC) | 10.4 (Zasilanie 3 – fazowe 400 VAC) |
| Interfejs Sercos | Wbudowany | |
| Rezystor hamujący | Wbudowany | |
| Filtr EMC | Wbudowany | |
| Wymiary obudowy (D x W x H) [mm] | 270 x 89 x 310 | |
| Stopień ochrony | IP20 | |
| Certyfikacja | CE, Ulus, CSA | |
| Oznaczenie | Opis |
|---|---|
| 1 | Przycisk reset |
| H1 | Dioda statusu Zasilacza |
| H2 | Dioda 1 portu Sercos |
| H3 | Dioda protokołu Sercos |
| H4 | Dioda 2 portu Sercos |
| CN1 | Złącza szyny napięcia DC |
| CN2, CN3 | Porty komunikacyjne Sercos |
| CN4 | Złącze przekaźnikowe Ready |
| CN5 | Zasilanie 24 VDC |
| CN6 | Złącze zasilania sieciowego (1- lub 3- fazowego) |
| CN7 | Złącze rezystora hamującego |
| LXM | 62 | P | XXX | A | 1 | 1 | 0 | 00 |
|---|---|---|---|---|---|---|---|---|
| 1 | 2 | 3 | 4 | 5 | 6 | 7 | 8 | 9 |
| Identyfikacja | Oznaczenie | Opis | Szczegóły |
|---|---|---|---|
| Rodzina | 1 | Określa rodzaj urządzenia | LXM: Lexium |
| Rodzaj | 2 | Określa podtyp serwonapędu | 62: Lexium 62 |
| Typ | 3 | Typ urządzenia | P: Zasilacz (Power module) |
| Prąd wyjściowy | 4 | Maksymalny (chwilowy) prąd wyjściowy urządzenia | D20: 20A D84: 84A |
| Wariant | 5 | Wariant konfiguracji sprzętowej | A: Zasilacz |
| Opcje | 6 | Opcje zasilania | 1: Napięcie przemienne 1- lub 3-fazowe (208…480 VAC / fazę) |
| Hardware | 7 | Wersja hardware | 1:pierwsza wersja |
| Wewnętrzne | 8 | Numer wewnętrzny | 0:standard |
| Specjalne | 9 | Numer klienta (produkcja specjalna) | 00: standardowy |
| Serwonapędy | Pojedyncze | Podwójne | ||||||
|---|---|---|---|---|---|---|---|---|
| LXM62D U60 C21000 |
LXM62D D15 C21000 |
LXM62D D27 C21000 |
LXM62D D45 C21000 |
LXM62D C13 C21000 |
LXM62D U60 D21000 |
LXM62D D15 D21000 |
LXM62D D27 D21000 |
|
| Nominalny prąd wyjściowy [A] | 2 | 5 | 9 | 20 | 50 | 2 x 2 | 2 x 5 | 2 x 9 |
| Maksymalny (chwilowy) prąd wyjściowy [A] | 6 | 15 | 27 | 45 | 130 | 2 x 6 | 2 x 15 | 2 x 27 |
| Moc znamionowa [kW] | 0.95 | 2.4 | 4.3 | 9.6 | 24 | 2 x 0.95 | 2 x 2.4 | 2 x 4.3 |
| Napięcie zasilania [V] | 250 ... 700 | |||||||
| Częstotliwość prądu zasilającego [Hz] | 48 ... 62 | |||||||
| Napięcie sterujące [V] | 24 (-20% … +25%) | |||||||
| Protokół komunikacyjny | Sercos | |||||||
| Wejście enkodera | Hiperface lub SinCos | |||||||
| Inverter Enable | 1 wejście (dwa kanały) | 2 wejścia (każde dwa kanały) | ||||||
| Wejścia cyfrowe | 2 | 2 x 2 | ||||||
| Wejścia cyfrowe typu touchprobe | 2 | 2 x 2 | ||||||
| Wejścia/Wyjścia cyfrowe | 2 | 2 x 2 | ||||||
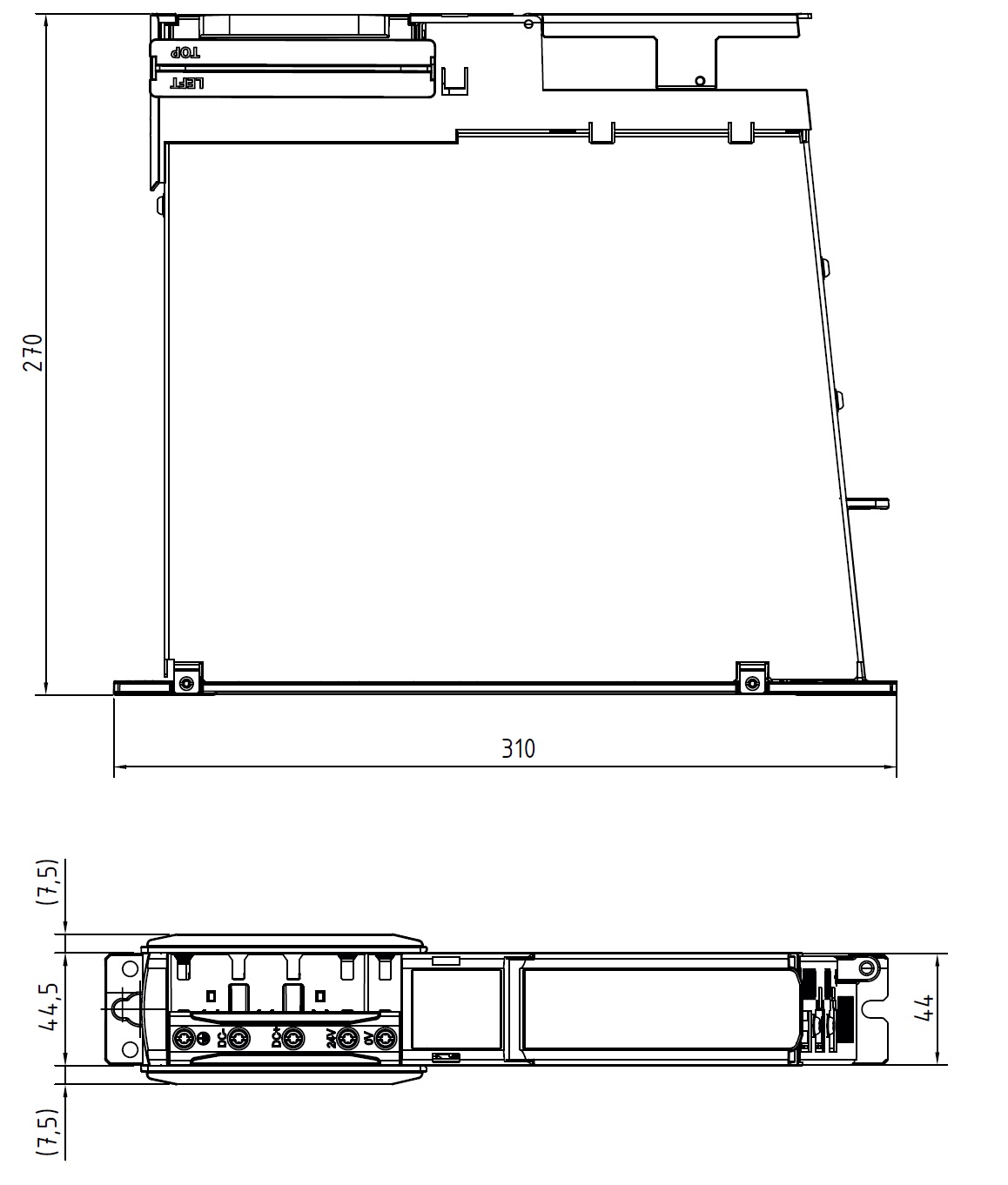
| Wymiary obudowy [mm] | 270 x 44 x 310 mm | 270 x 89 x 310 mm | 270 x 44 x 310 mm | |||||
| Stopień ochrony | IP20 | |||||||
| Certyfikacja | CE, Ulus, CSA, TÜV | |||||||
| Oznaczenie | Opis |
|---|---|
| 1 | Przycisk reset |
| H1 | Dioda statusu dla osi A |
| H2 | Dioda statusu dla osi B (w napędach podwójnych) |
| H3 | Dioda 1 portu Sercos |
| H4 | Dioda protokołu Sercos |
| H5 | Dioda 2 portu Sercos |
| CN1 | Złącza szyny napięcia DC |
| CN2, CN3 | Porty komunikacyjne Sercos |
| CN4 | Cyfrowe wejścia/wyjścia |
| CN5 | Zasilanie cyfrowych wejść/wyjść |
| CN6 | Złącze Inverter Enable |
| CN7 | Złącze enkoderowe dla osi A |
| CN8 | Złącze zasilające dla osi A |
| CN9 | Złącze enkoderowe dla osi B (w napędach podwójnych) |
| CN10 | Złącze zasilające dla osi B (w napędach podwójnych) |
| CN11 | Złącze Inverter Enable |
| rh | Mocowanie złącza do ekranowania kabli |

| LXM | 62 | D | XXX | X | 2 | 1 | 0 |
|---|---|---|---|---|---|---|---|
| 1 | 2 | 3 | 4 | 5 | 6 | 7 | 8 |
| Identyfikacja | Oznaczenie | Opis | Szczegóły |
|---|---|---|---|
| Rodzina | 1 | Określa rodzaj urządzenia | LXM: Lexium |
| Rodzaj | 2 | Określa podtyp serwonapędu | 62: Lexium 62 |
| Typ | 3 | Typ urządzenia | D: Serwonapęd (Drive) |
| Prąd wyjściowy | 4 | Maksymalny (chwilowy) prąd wyjściowy urządzenia | U60: 6A D15: 15A D27: 27A D45: 45A C13: 130A |
| Wariant | 5 | Wariant konfiguracji sprzętowej | C: Pojedynczy serwonapęd HW-STO SIL 3 Ple D: Podwójny serwonapęd HW-STO SIL 3 Ple E: Pojedynczy serwonapęd z zintegrowanym bezpieczeństwem F: Podwójny serwonapęd z zintegrowanym bezpieczeństwem |
| Opcje | 6 | Opcje zasilania | 2: 250 … 700 VDC |
| Hardware | 7 | Wersja hardware | 1:pierwsza wersja |
| Wewnętrzne | 8 | Numer wewnętrzny | 000: Standard |
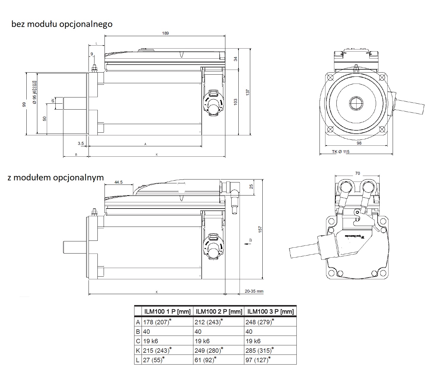
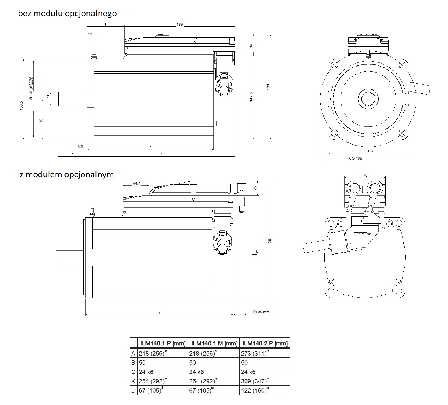
| Numer katalogowy | Moc nominalna [kW] | Moment znamionowy [Nm] | Moment szczytowy [Nm] | Prędkość znamionowa [obr/min] | Waga [kg] |
|---|---|---|---|---|---|
| ILM0701P● | 0.31 | 0.5 | 3.5 | 6000 | 2.7 |
| ILM0702P● | 0.72 | 1.15 | 7.6 | 6000 | 3.4 |
| ILM0703P● | 0.72 | 1.15 | 8.7 | 6000 | 4.2 |
| ILM1001P● | 0.6 | 1.9 | 9.6 | 3000 | 4.9 |
| ILM1002P● | 0.91 | 2.9 | 18.3 | 3000 | 6.4 |
| ILM1003P● | 1.1 | 3.5 | 28.3 | 3000 | 8.1 |
| ILM1401P● | 1.45 | 4.6 | 27 | 3000 | 12.5 |
| ILM1401M● | 1.3 | 8.3 | 27 | 1500 | 12.5 |
| ILM1402P● | 1.91 | 9.1 | 55 | 2000 | 17.2 |

| Oznaczenie | Opis |
|---|---|
| CN1 | Złącza szyny napięcia DC |
| CN2,CN3 | Porty komunikacyjne Sercos dla zasilacza i dodatkowych modułów |
| CN4,CN5 | Porty komunikacyjne Sercos dla zasilacza i dodatkowych modułów |
| CN6 | Złącze Inverter Enable |
| CN7 | Złącze Inverter Enable, wyj scie 24VDC |
| CN8 | Wyjście szyny napięcia DC do podłączenia rezystora hamującego |

| Oznaczenie | Opis |
|---|---|
| CN1 | Wejście - do podłączenia modułu komunikacyjnego lub modułu rozdzielającego |
| CN2,CN3,CN4,CN5 | Wyjście - do podłączenia serwonapędu ILM lub modułu rozdzielającego |

| Oznaczenie | Opis |
|---|---|
| 1 | Złącze uziemienia |
| 2 | Złącze kabla hybrydowego |
| 3 | Złącze opcjonalnego modułu wejść/wyjść |


* - wartość w nawiasie dotyczy serwonapędu z hamulcem

* - wartość w nawiasie dotyczy serwonapędu z hamulcem

* - wartość w nawiasie dotyczy serwonapędu z hamulcem
| ILM | XXX | X | X | X | X | X | X | XXX |
|---|---|---|---|---|---|---|---|---|
| 1 | 2 | 3 | 4 | 5 | 6 | 7 | 8 | 9 |
| Identyfikacja | Oznaczenie | Opis | Szczegóły |
|---|---|---|---|
| Rodzina | 1 | Określa rodzaj urządzenia | ILM: Silniki zintergowane z serwonapędem |
| Rozmiar | 2 | Rozmiar flanszy silnika | 070: 70mm 100: 100mm 140: 140mm |
| Rozmiar silnika | 3 | Rozmiar silnika o danym rozmiarze flanszy | 1: Pierwszy rozmiar silnika o danej flanszy 2: Drugi rozmiar silnika o danej flanszy 3: Trzeci rozmiar silnika o danej flanszy |
| Uzwojenie | 4 | Rodzaj uzwojenia | P: Standardowe M: Zoptymalizowane pod kątem momentu obrotowego |
| Wałek | 5 | Rodzaj wałka | 0: Wałek bez wpustu, IP 54 1: Wałek z wpustem, IP 54 2: Wałek bez wpustu, IP 65 3: Wałek z wpustem, IP 65 |
| Enkoder | 6 | Rodzaj wbudowanego Enkodera SinCos Hiperface | 1: Enkoder single-turn wysokiej rozdzielczości (131 072 pkt/obr) 2: Enkoder multi-turn wysokiej rozdzielczości (131 072 pkt/obr) |
| Hamulec | 7 | Wersja z hamulcem lub bez | A: Silnik bez hamulca F: Silnik z hamulcem |
| Opcja | 8 | Rodzaj silnika | 0: Standardowy |
| Typ | 9 | Typ silnika | 000: Standardowy |
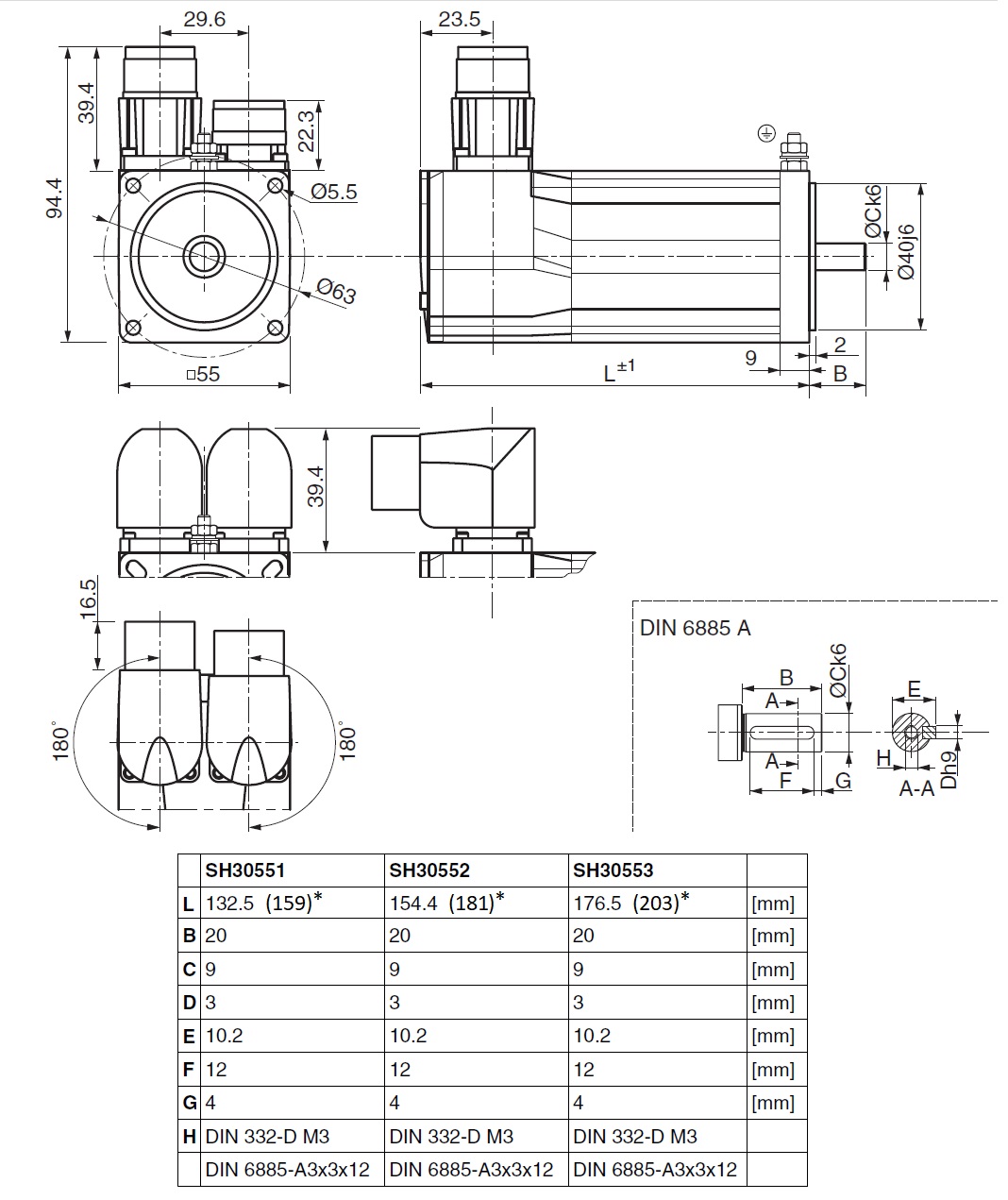
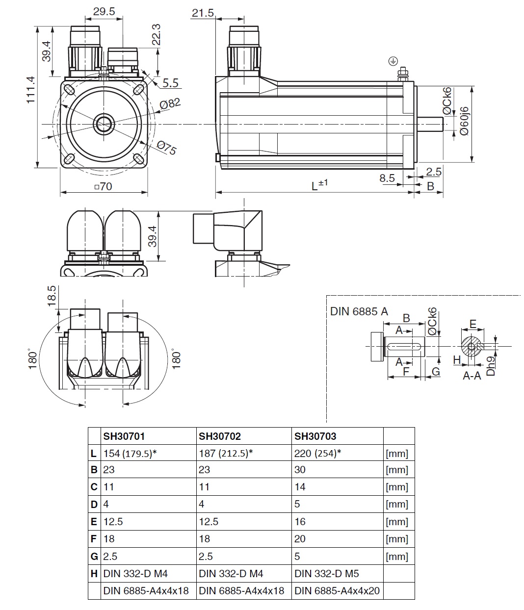
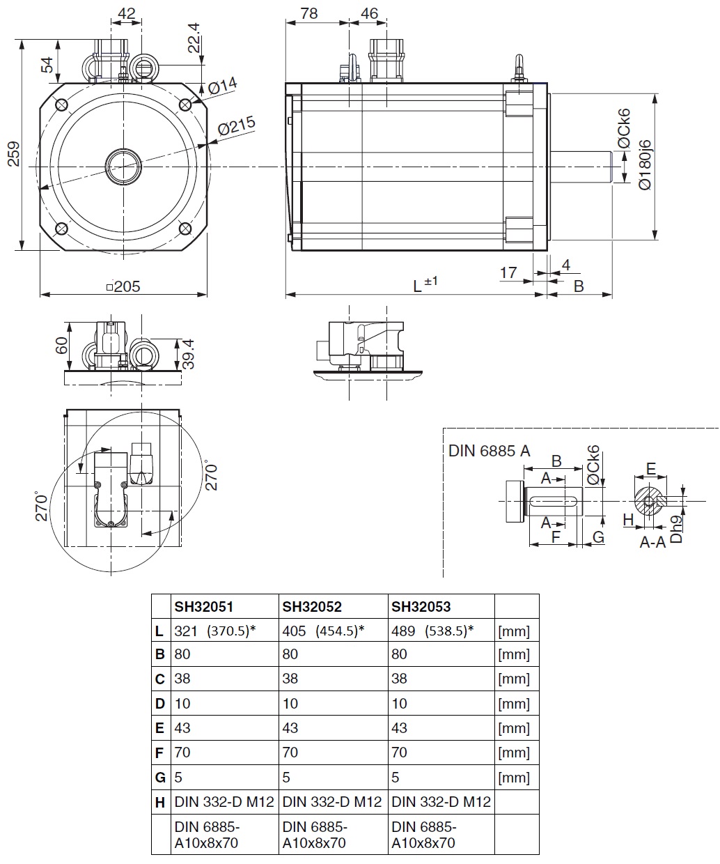
| Numer katalogowy | Moc nominalna [kW] |
Moment znamionowy [Nm] | Moment szczytowy [Nm] | Prędkość znamionowa (maksymalna) [obr/min] | Waga [kg]* |
|---|---|---|---|---|---|
| SH30401P● | 0.17 | 0.18 | 0.8 | 9000 (10000) | 0.4 (0.6) |
| SH30402P● | 0.3 | 0.36 | 1.38 | 9000 (10000) | 0.6 (0.8) |
| SH30551P● | 0.4 | 0.5 | 1.5 | 8000 (9000) | 1.2 (1.3) |
| SH30552P● | 0.6 | 0.7 | 2.5 | 8000 (9000) | 1.5 (1.6) |
| SH30553P● | 0.9 | 1.0 | 3.5 | 8000 (9000) | 1.7 (1.8) |
| SH30701P● | 0.8 | 1.3 | 3.5 | 6000 (8000) | 1.9 (2.1) |
| SH30702P● | 1.2 | 1.9 | 7.6 | 6000 (8000) | 2.8 (3.0) |
| SH30703P● | 1.5 | 2.3 | 11.3 | 6000 (8000) | 3.4 (3.5) |
| SH31001P● | 1.4 | 2.7 | 9.6 | 5000 (6000) | 4.4 (4.9) |
| SH31002P● | 1.9 | 4.6 | 18.3 | 4000 (6000) | 6.0 (6.5) |
| SH31003P● | 2.4 | 5.7 | 28.3 | 4000 (6000) | 7.7 (8.4) |
| SH31004P● | 2.5 | 7.9 | 40.5 | 3000 (6000) | 9.4 (10.3) |
| SH31401P● | 2.9 | 9.2 | 27.0 | 3000 (4000) | 11.5 (12.9) |
| SH31402P● | 3.9 | 12.3 | 60.1 | 3000 (4000) | 16.5 (18.1) |
| SH31403P● | 4.1 | 12.9 | 90.2 | 3000 (4000) | 21.9 (24.0) |
| SH31404P● | 5.06 | 16.1 | 131.9 | 3000 (4000) | 27.0 (29.3) |
| SH32051P● | 5.5 | 17.5 | 110.0 | 3000 (3800) | 35.0 (38.6) |
| SH32052P● | 7.9 | 38.1 | 220.0 | 2000 (3800) | 50.0 (53.6) |
| SH32053P● | 10.6 | 50.7 | 330.0 | 2000 (3800) | 67.0 (70.6) |
| SH30702M● | 0.7 | 2.1 | 7.6 | 3000 (8000) | 2.8 (3.0) |
| SH30703M● | 0.9 | 2.8 | 11.3 | 3000 (8000) | 3.4 (3.5) |
| SH31001M● | 0.8 | 3.0 | 9.6 | 2500 (6000) | 4.4 (4.9) |
| SH31002M● | 1.9 | 5.2 | 18.3 | 2000 (6000) | 7.7 (8.4) |
| SH31003M● | 1.5 | 7.0 | 28.3 | 2000 (6000) | 11.5 (12.9) |
| SH31401M● | 1.7 | 10.6 | 27.0 | 1500 (4000) | 11.9 (13.0) |
* - Podana waga dotyczy silnika bez hamulca. Waga silnika z hamulcem podana jest w nawiasie.

| Oznaczenie | Opis |
|---|---|
| 1 | Złącze zasilające męskie |
| 2 | Złącze enkoderowe męskie |
| 3 | Wałek bez lub z wpustem (zależnie od modelu) |

* - wartość w nawiasie dotyczy silnika z hamulcem

* - wartość w nawiasie dotyczy silnika z hamulcem

* - wartość w nawiasie dotyczy silnika z hamulcem

* - wartość w nawiasie dotyczy silnika z hamulcem

* - wartość w nawiasie dotyczy silnika z hamulcem

* - wartość w nawiasie dotyczy silnika z hamulcem
| SH3 | XXX | X | X | X | X | X | X | X | XX |
|---|---|---|---|---|---|---|---|---|---|
| 1 | 2 | 3 | 4 | 5 | 6 | 7 | 8 | 9 | 10 |
| Identyfikacja | Oznaczenie | Opis | Szczegóły |
|---|---|---|---|
| Rodzina | 1 | Określa rodzaj urządzenia | SH3: Silniki SH3 |
| Rozmiar flanszy | 2 | Rozmiar flanszy silnika | 040: 40mm 055: 55mm 070: 70mm 100: 100mm 140: 140mm 205: 205mm |
| Rozmiar silnika | 3 | Rozmiar silnika o danym rozmiarze flanszy | 1: Pierwszy rozmiar silnika o danej flanszy 2: Drugi rozmiar silnika o danej flanszy 3: Trzeci rozmiar silnika o danej flanszy 4: Czwarty rozmiar silnika o danej flanszy |
| Uzwojenie | 4 | Rodzaj uzwojenia | P: Zoptymalizowane pod kątem momentu i prędkości obrotowej M: Zoptymalizowane pod kątem poboru prądu |
| Wałek | 5 | Rodzaj wałka | 0: Wałek bez wpustu 1: Wałek z wpustem |
| Enkoder | 6 | Rodzaj wbudowanego Enkodera SinCos Hiperface | 1: Enkoder single-turn wysokiej rozdzielczości (131 072 pkt/obr) 2: Enkoder multi-turn wysokiej rozdzielczości (131 072 pkt/obr) 6: Enkoder single-turn średniej rozdzielczości (32 768 pkt/obr) 7: Enkoder multi-turn średniej rozdzielczości (32 768 pkt/obr) |
| Hamulec | 7 | Wersja z hamulcem lub bez | A: Silnik bez hamulca F: Silnik z hamulcem |
| Złącza | 8 | Rodzaj złącz | 1: Złącza proste 2: Złącza kątowe 90°, obrotowe |
| IP | 9 | Stopień ochrony IP | 0: IP54 / IP 65 dla wału i obudowy 1: IP65 / IP65 dla wału i obudowy 2: IP65 / IP67 dla wału i obudowy |
| Typ | 10 | Typ silnika | 00: Standardowy |
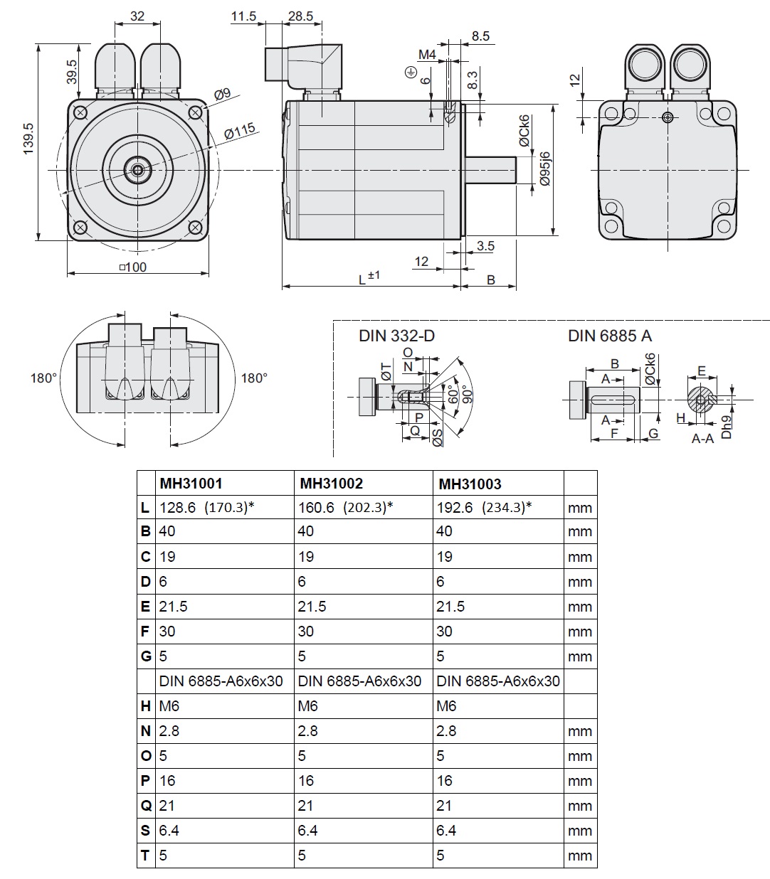
| Numer katalogowy | Moc nominalna [kW] |
Moment znamionowy [Nm] | Moment szczytowy [Nm] | Prędkość znamionowa (maksymalna) [obr/min] | Waga [kg]* |
|---|---|---|---|---|---|
| MH30701P● | 0.75 | 1.3 | 4.2 | 5500 (6000) | 1.6 (2.6) |
| MH30702P● | 1.2 | 1.9 | 7.4 | 5500 (6000) | 2.3 (3.3) |
| MH30703P● | 1.3 | 2.3 | 10.2 | 5000 (6000) | 3.0 (4.0) |
| MH31001P● | 1.3 | 2.9 | 10.2 | 4000 (6000) | 3.3 (4.8) |
| MH31002P● | 1.2 | 4.2 | 18.0 | 4000 (6000) | 4.9 (6.4) |
| MH31003P● | 2.9 | 6.2 | 27.0 | 4000 (6000) | 6.5 (8.2) |
| MH31401P● | 2.6 | 7.2 | 39.9 | 3500 (4000) | 8.0 (10.3) |
| MH31402P● | 3.7 | 10.2 | 55.5 | 3500 (4000) | 12.0 (14.3) |
| MH31403P● | 4.8 | 13.1 | 78.0 | 3500 (4000) | 16.0 (18.5) |
| MH31901P● | 5.2 | 17.9 | 90.0 | 3000 (4000) | 33.0 (37.9) |
| MH31902P● | 6.1 | 24.9 | 144.0 | 2000 (4000) | 44.0 (48.9) |
| MH31903P● | 7.2 | 50.7 | 195.0 | 2000 (3500) | 67.0 (71.9) |
* - Podana waga dotyczy silnika bez hamulca. Waga silnika z hamulcem podana jest w nawiasie.

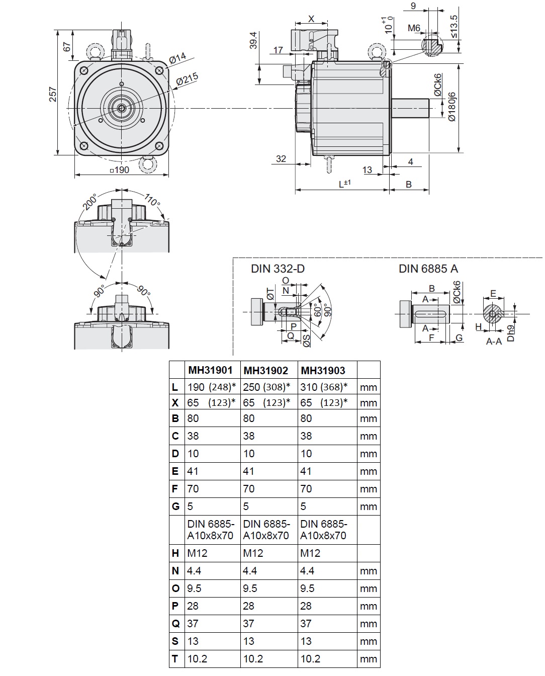
| Oznaczenie | Opis |
|---|---|
| 1 | Złącze kątowe zasilające męskie |
| 2 | Złącze kątowe enkoderowe męskie |
| 3 | Wałek bez lub z wpustem (zależnie od modelu) |

* - wartość w nawiasie dotyczy silnika z hamulcem

* - wartość w nawiasie dotyczy silnika z hamulcem

* - wartość w nawiasie dotyczy silnika z hamulcem

* - wartość w nawiasie dotyczy silnika z hamulcem
| MH3 | XXX | X | X | X | X | X | X | X | XX |
|---|---|---|---|---|---|---|---|---|---|
| 1 | 2 | 3 | 4 | 5 | 6 | 7 | 8 | 9 | 10 |
| Identyfikacja | Oznaczenie | Opis | Szczegóły |
|---|---|---|---|
| Rodzina | 1 | Określa rodzaj urządzenia | MH3: Silniki MH3 |
| Rozmiar flanszy | 2 | Rozmiar flanszy silnika | 070: 70mm 100: 100mm 140: 140mm 190: 190mm |
| Rozmiar silnika | 3 | Rozmiar silnika o danym rozmiarze flanszy | 1: Pierwszy rozmiar silnika o danej flanszy 2: Drugi rozmiar silnika o danej flanszy 3: Trzeci rozmiar silnika o danej flanszy |
| Uzwojenie | 4 | Rodzaj uzwojenia | P: Zoptymalizowane pod kątem momentu i prędkości obrotowej |
| Wałek | 5 | Rodzaj wałka | 0: Wałek bez wpustu 1: Wałek z wpustem |
| Enkoder | 6 | Rodzaj wbudowanego Enkodera SinCos Hiperface | 1: Enkoder single-turn wysokiej rozdzielczości (131 072 pkt/obr) 2: Enkoder multi-turn wysokiej rozdzielczości (131 072 pkt/obr) 6: Enkoder single-turn średniej rozdzielczości (32 768 pkt/obr) 7: Enkoder multi-turn średniej rozdzielczości (32 768 pkt/obr) |
| Hamulec | 7 | Wersja z hamulcem lub bez | A: Silnik bez hamulca F: Silnik z hamulcem |
| Złącza | 8 | Rodzaj złącz | 2: Złącza kątowe 90°, obrotowe |
| IP | 9 | Stopień ochrony IP | 2: IP65 dla wału i obudowy* |
| Typ | 10 | Typ silnika | 00: Standardowy |
* - Można zwiększyć IP do 67 z wykorzystaniem opcjonalnego zestawu VM3M230●
| Numer katalogowy | Moc nominalna [kW] |
Moment znamionowy [Nm] | Moment szczytowy [Nm] | Prędkość znamionowa (maksymalna) [obr/min] | Waga [kg]* |
|---|---|---|---|---|---|
| FCE200519B2001 | 0.3 | 0.79 | 3.2 | 4000 (9000) | 2.2 |
| FCE200522B2002 | 0.8 | 3.85 | 18.3 | 2000 (8000) | 8.8 |
| FCE200525B2001 | 0.8 | 4.0 | 18.3 | 2000 (6000) | 8.7 |
| FCE200520B2001 | 0.9 | 1.4 | 7.6 | 6000 (8000) | 6.4 |
| FCE200521B2002 | 1.0 | 1.55 | 10.3 | 6000 (8000) | 7.2 |
| FCE200524B2001 | 1.0 | 1.55 | 10.3 | 6000 (6000) | 7.1 |
| FCE200523B2002 | 1.3 | 3.0 | 28.3 | 4000 (6000) | 10.0 |
1 - Silnik bez hamulca
2 - Silnik z hamulcem

| Oznaczenie | Opis |
|---|---|
| 1 | Złącze proste hybrydowe (zasilające i enkoderowe) |
| 2 | Wałek bez wpustu (gładki) |
| Numer katalogowy | Rozmiar flanszy [mm] | W H x D* [mm] |
|---|---|---|
| FCE200519B200 | 58 x 58 | 58 x 64 x 225.1 |
| FCE200520B200 | 71 x 71 | 71 x 112 x 216.7 |
| FCE200524B200 | 71 x 71 | 71 x 112 x 284 |
| FCE200521B200 | 71 x 71 | 71 x 112 x 284 |
| FCE200525B200 | 100 x 100 | 100 x 138 x 270.7 |
| FCE200522B200 | 100 x 100 | 100 x 138 x 270.7 |
| FCE200523B200 | 100 x 100 | 100 x 138 x 306.7 |
* - długość silnika bez uwzględnienia wałka
Zaloguj się, by zobaczyć niższe ceny. Dla nowych kont potrzebujemy 24h na przydzielenie rabatu.
| Produkt | Cena netto | ||
|---|---|---|---|
Zasilacz serii Lexium 62, 21A/42A prądu pracy ciągłej Kod produktu: LXM62PD84A11000 Zobacz w sklepie » |
14 860 PLN |
Zobacz w sklepie | |
Serwonapęd Lexium 62; moc 2x4,3kW; prąd pracy ciągłej 2x9A; sterowanie Sercos Kod produktu: LXM62DD27D21000 Zobacz w sklepie » |
15 397 PLN |
Zobacz w sklepie | |
12 780 PLN |
Zobacz w sklepie | ||
16 107 PLN |
Zobacz w sklepie | ||
18 107 PLN |
Zobacz w sklepie |
Potrzebujesz pomocy? Skontaktuj się z nami. Odpowiemy na wszystkie Twoje pytania.
ASTOR Centrala
ul. Smoleńsk 29, 31-112 Kraków
12 428 63 00
PL
EN