• ID w Profesal: 19123

Kawasaki Robotics seria BA / roboty spawalnicze

Roboty Kawasaki Robotics serii BA przystosowane są do pracy w aplikacjach spawalniczych lub przy technologiach pochodnych (cięcie, fazowanie, wycinanie, wypalanie). Podczas zautomatyzowanego procesu operator może zmieniać warunki spawania w locie, a następnie przechowywać te zmiany we wbudowanej bazie danych.

  • okablowanie wewnętrzne przystosowane do aplikacji spawalnicznych w standardzie (złącze antykolizyjne, czujniki)
  • kontroler przystosowany do realizacji aplikacji spawalniczych
  • środowisko pracy dedykowane do programowania aplikacji spawalniczych
  • możliwość sterowania parametrami spawania z poziomu kontrolera robota
  • szerokie możliwości komunikacyjne pozwalające na współpracę z dowolnym źródłem spawalniczym

Roboty Kawasaki Robotics serii BA przystosowane są do pracy w aplikacjach spawalniczych oraz przy technologiach pochodnych (cięcie, fazowanie, wycinanie, wypalanie).
Podczas zautomatyzowanego procesu operator może zmieniać warunki spawania w locie, a następnie przechowywać te zmiany we wbudowanej bazie danych. Zapisane warunki można następnie przywołać z bazy danych i ponownie wykorzystać w procesie. Wbudowany interfejs dedykowany do spawania łukowego, umożliwia łatwe połączenie ze źródłem spawalniczym za pomocą jednego kabla.

Każdy robot Kawasaki Robotics jest standardowo dostarczany z teach pendantem z ekranem dotykowym, który umożliwia sterowanie, kontrolę i programowanie trajektorii ruchu robota. Za jego pomocą można skorzystać z funkcji wspierających proces spawania, jak np. servo-torch, touch sensing, special weaving pattern, real-time path modification (RTPM) sensor, start-point sensing, multilayer welding function oraz voltage control (AVC).

Roboty spawalnicze Kawasaki wyposażone są w funkcję „włączania / wyłączania łuku” za pomocą jednego przycisku, aby umożliwić operatorom łatwe i szybkie zatrzymanie i uruchomienie procesu spawania. Ta ręczna kontrola zajarzania łuku pomaga operatorom radzić sobie z odkształceniami detali.

 

Roboty Kawasaki Robotics dostępne są z kontrolerem


Kontroler E0x

Kontrolery E0x Kawasaki Robotics charakteryzują się niską wagą i posiada umiejętność ograniczania strat energii elektrycznej. Model E01, E02 i E04 dedykowane są dla serii robotów Kawasaki Robotics BA, BX, BT, CX, MX, RA, RS, ZX, natomiast E03 są obsługiwane przez roboty paletyzujące Kawasaki Robotics CP i RD.

Oprogramowanie


K-Roset

K-Roset to symulator zrobotyzowanych stanowisk pracy z robotami Kawasaki Robotics. W prosty i przejrzysty sposób pozwala na stworzenie symulacji, wykorzystując roboty z oferty Kawasaki Robotics.


KIDE

Program umożliwiający zaawansowaną pracę z robotami Kawasaki Robotics. Pozwala na realizację komunikacji terminalowej, kompleksowe tworzenie oraz modyfikowanie aplikacji. Posiada wbudowany edytor tekstowy, dzięki któremu można w wygodny sposób tworzyć programy.


CS-Configurator

CS-Configurator to program umożliwiający konfigurację funkcji bezpieczeństwa dostępnych w module Cubic-S dla robotów Kawasaki Robotics. Moduł ten odpowiada za monitorowanie ruchu robota Kawasaki Robotics – a w sytuacji, w której zostanie zarejestrowany ruch niedozwolony, robot zostaje zatrzymany awaryjnie.

Zastosowania


Zrobotyzowane spawanie

Spawanie zawsze było jednym z głównych zastosowań robotów przemysłowych. Zastosowanie robota pozwala zachować stałą jakość produkcji przy jednoczesnym ograniczeniu zużycia materiałów. Sprawia to, że inwestycje w zrobotyzowane spawanie zwracają się szybko.

Czytaj więcej.

Roboty Kawasaki Robotics seria BA




zdjęcie

Opis robota:

Robot spawalniczy Kawasaki BA006L posiada dłuższe ramię niż robot BA006N nie tracąc przy tym jego właściwości technicznych. Pomimo przedłużonego ramienia robota cała konstrukcja pozwala wykonać spawanie w ciasnych przestrzeniach lub spawanie bardzo skomplikowanych kształtów. Smukłe ramię, przelotowy nadgarstek (hollow wrist) oraz zintegrowane przewody poprowadzone wewnątrz ramienia robota sprawiają, że może spawać każdy kształt i położyć precyzyjnie każdą spoinę.

Przestrzeń robocza

zdjęcie
Pobierz obrazek w wysokiej rozdzielczości
BA006L
Waga robota [kg]160
Maksymalny udźwig [kg]6
Maksymalny zasięg [mm]2036
Ilość stopni swobody 6
Powtarzalność [mm]+/- 0.08
Zakres ruchu [°]
JT1+/- 165
JT2+150 ~ -90
JT3+90 ~ -175
JT4+/- 180
JT5+/- 135
JT6 +/- 360
Prędkości [°/s]
JT1210
JT2210
JT3220
JT4430
JT5430
JT6650
Montaż
podłogowyTAK
odwrotnyTAK
na ścianieNIE
na półceNIE
KontrolerE01
Stopień Ochrony IPIP65
 



zdjęcie

Opis robota:

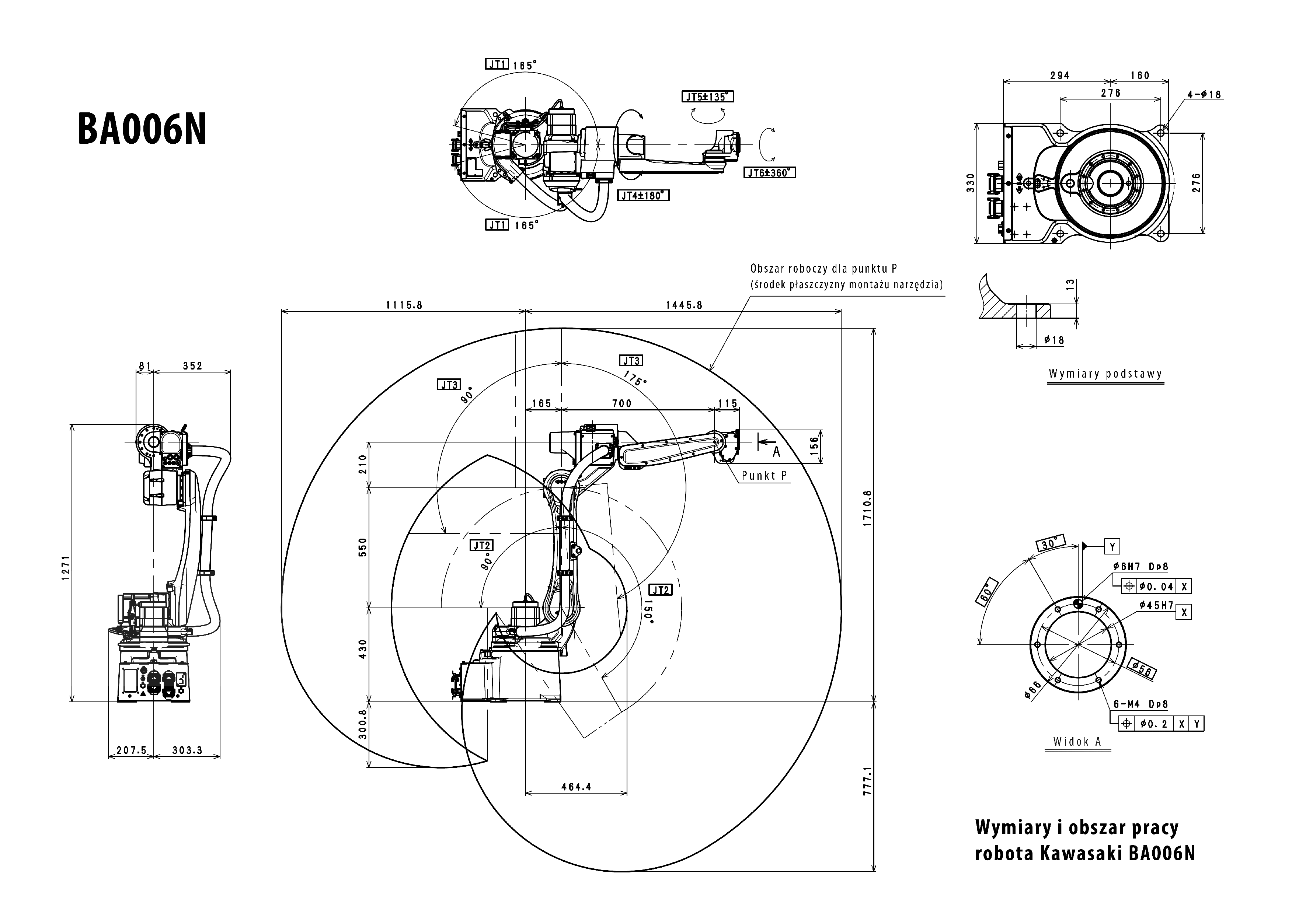
Nowy robot spawalniczy Kawasaki BA006N pozwala realizować sprawnie większość procesów spawalniczych w przemyśle. Konstrukcja ramienia robota pozwala wykonać spawanie w ciasnych przestrzeniach lub spawanie bardzo skomplikowanych kształtów. Smukłe ramię, przelotowy nadgarstek (hollow wrist) oraz zintegrowane przewody poprowadzone wewnątrz ramienia robota sprawiają, że może spawać każdy kształt i położyć precyzyjnie każdą spoinę. Kontroler tego robota dostarczany jest w wersji pozwalającej na sterowanie 7 osiami z możliwością dołożenia 2 kolejnych.

Przestrzeń robocza

zdjęcie
Pobierz obrazek w wysokiej rozdzielczości
BA006N
Waga robota [kg]150
Maksymalny udźwig [kg]6
Maksymalny zasięg [mm]1445
Ilość stopni swobody 6
Powtarzalność [mm]+/- 0.06
Zakres ruchu [°]
JT1+/- 165
JT2+150 ~ -90
JT3+90 ~ -175
JT4+/- 180
JT5+/- 135
JT6 +/- 360
Prędkości [°/s]
JT1240
JT2240
JT3220
JT4430
JT5430
JT6650
Montaż
podłogowyTAK
odwrotnyTAK
na ścianieNIE
na półceNIE
KontrolerE01
Stopień Ochrony IPIP65
 

Kontakt Przejdź do kontaktu »

Zostaw wiadomość lub zadaj pytanie – odpowiemy niezwłocznie.

Wsparcie handlowe

12 424 00 60
sprzedaz@astor.com.pl

Wsparcie techniczne

12 424 00 88
support@astor.com.pl

Formularz kontaktowy

Napisz do nas - odpowiemy w ciągu 24h

*wymagane

Imię i nazwisko:*

Adres e-mail:*

Numer telefonu:*

Kontakt z oddziałem*






Komentarz:*

Twoje dane osobowe udostępnione w formularzu będą przetwarzane przed Grupę ASTOR zgodnie z zasadami.

Kontakt

Potrzebujesz pomocy? Skontaktuj się z nami. Odpowiemy na wszystkie Twoje pytania.

Wsparcie handlowe
12 424 00 60
sprzedaz@astor.com.pl

Wsparcie techniczne

Case studies

WIŚNIOWSKI - cyfrowa indywidualizacja w fabryce przyszłości

Pierwsze w Polsce nowoczesne laboratorium sterowania i automatyki Astraada One na AGH w Krakowie

Nowoczesna produkcja wsadowa w zakładach chemicznych Stepan


Zobacz wszystkie case studies »

Współpracujemy z:

O ASTOR

Firma ASTOR od 30 lat wspiera podnoszenie efektywności procesów w przemyśle, produkcji oraz infrastrukturze dostarczając komponenty automatyki przemysłowej, robotyki, systemy IT oraz wiedzę biznesową i techniczną. Kierunek wspierania rozwoju i transformacji naszych Klientów wyznacza Przemysł 4.0. W naszym portfolio znajdują się systemy sterowania Emerson Industrial Automation&Control (dawniej GE Intelligent Platforms, GE Fanuc), Horner APG oraz Astraada One, oprogramowanie przemysłowe AVEVA (dawniej Wonderware), roboty przemysłowe Kawasaki i Epson, produkty do bezprzewodowej transmisji danych SATEL Oy i Astraada, a także falowniki, panele HMI i urządzenia sieciowe Astraada. Oferujemy usługi doradcze w ramach ASTOR Consulting i szkolenia w ramach Akademii ASTOR.


Kontakt

12 428 63 00
PL EN